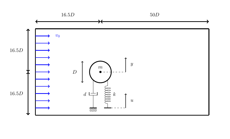
Setup
We simulate a 2D flow around a cylinder. The cylinder is not fixed, but mounted on a spring-damper system which allows it to move in the y-direction. The vortex shedding of the flow brings the cylinder to oscillate up and down. This setup has received attention as a test case for numerical simulations [2] in the past and is backed up with experimental data [3]. The oscillation can be counteracted by moving the root point of the spring [4]. To adjust the root point accordingly, a PID controller is implemented. The full setup is shown below:
This case was contributed by Leonard Willeke et al. [1]. To reduce the overall runtime compared to the original contribution, this case uses a larger time step size 2.5e-3 (instead of 1e-3) and the controller switches on at t=2 (instead of t=40). Still, the scenario requires around an hour to complete.
Configuration
preCICE configuration (image generated using the precice-config-visualizer):
Available solvers
OpenFOAM is used for the Fluid participant. The spring-damper system is solved in a separate Python Solid participant. Finally, the PID algorithm is calculated in an FMU as participant Controller.
- OpenFOAM: To run this case, you need the preCICE OpenFOAM Adapter. OpenFOAM is used to simulate the laminar flow around the cylinder with the solver
pimpleFoam. - FMI: A solver using the preCICE-FMI Runner (requires at least v0.2). The Runner executes the FMU model
PIDcontroller.fmufor computation. The provided run script (see below) builds this model if not already there. If you want to change the model parameters or simulation setup, have a look insidefmi-settings.jsonandprecice-settings.json(see foldercontroller-fmi). - Python: A python script solving the spring damper system, using the preCICE Python bindings. The run script installs the dependencies automatically via pip in a virtual environment.
Running the simulation
Open three separate terminals. The commands for the Solid and the Controller are:
cd solid-python
./run.sh
and
cd controller-fmi
./run.sh
For the Fluid participant, you can run OpenFOAM either in serial or in parallel. To run the case in serial, you can use the same command as before
cd fluid-openfoam
./run.sh
while for the parallel computation, you need to set an additional flag
cd fluid-openfoam
./run.sh -parallel
Post-processing
There are multiple options for post-processing, depending on what you want to visualize.
Plot displacement and forces
The Solid participant writes a watchpoint during the simulation. To plot this data in four individual windows, run the command
./plot-watchpoint.sh solid-python
The displacement of the cylinder clearly shows the onset of the controller after t=2:
Plot controller variables
Upon completion of the scenario, the preCICE-FMI Runner stores some of the internal controller variables such as output values and the terms of the different gains. To plot for example the error between measured and wanted state, run the command
python3 plot-timeseries.py ./controller-fmi/output/controller-output.csv E_OVER_T
To get a full list of the plot options, run python3 plot-timeseries.py -h. Please note: This script requires a few standard python libraries (pandas, matplotlib, argparse, enum).
View the simulation results in ParaView
OpenFOAM creates .vtk files during the simulation which you can visualize and animate in ParaView. To do so, run
cd fluid-openfoam
paraFoam
The displacements of the cylinder are very small, however, and, thus, not directly visible. With a WarpByVector filter based on the cellDisplacement data, try scaling them up by a factor of 100.
Acknowledgements
Many thanks to Mosayeb Shams from Herriot Watt University, UK, who helped to set up this simulation case.
Sources
- The general idea was taken from [4].
- The OpenFOAM case files make use of the following work:
- An OpenFOAM tutorial to study vortex induced vibrations on a 2D cylinder
- An online article discussing the setup of a similar OpenFOAM case
References
[1] L. Willeke, D. Schneider, B. Uekermann, A preCICE-FMI Runner to Couple FMUs to PDE-Based Simulations, Proceedings 15th Intern. Modelica Conference, 2023
[2] Placzek, A. and Sigrist, J.F. and Hamdouni, A. Numerical Simulation of an oscillating cylinder in a cross-flow at low Reynolds number: Forced and free oscillations, Computers and Fluids, 2009, 38 (1), pp.80-100
[3] Anagnostopoulus, P. and Bearman, P.W. Response Characteristics of a vortex-excited cylinder at low Reynolds numbers, Journal of Fluids and Structures, January 1992, DOI: 10.1016/0889-9746(92)90054-7
[4] Sicklinger, S. Stabilized Co-Simulation of Coupled Problems including Fields and Signals, Technical University of Munich, Dissertation


